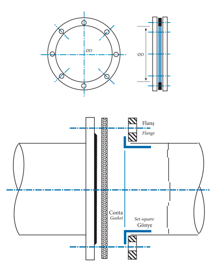
YUVARLAK FLANŞLAR
Yuvarlak kanal flanşları; kanal birleştirme elemanı olarak kullanılır. Aşağıda detayı verilen flanş elemanı daha çok iç yüzeydeki çıkıntıların (iç içe geçmelerin) sorun olduğu toz veya talaş toplama hatlarında kullanılır. Ağız ağıza sıkılan kanalların arasında conta kullanılır ve flanş üzerindeki deliklerden iki yuvarlak ağız birbirine sıkılırken conta arada ezilir.
































.jpg)
.jpg)
.jpg)
.jpg)
.jpg)
.jpg)
.jpg)
.jpg)

.jpg)
.jpg)
.jpg)

.jpg)
.jpg)
.png)